
我公司提供的CMV系列高壓固態軟起動裝置,主要適用于鼠籠式異步、同步電動機的起動和停止的控制與保護。它采用高質量串并聯用晶閘管,無級控制輸出電壓、 使電動機平穩地起動和停止。它具有過載、缺相、運行過流等故障保護功能,使用它能有效地避免因電動機起動電流過大給電網帶來的有害沖擊、能在有限的電網容 量下正常使用大功率電機并延長其使用壽命。

CMV高壓固態軟起動裝置工作原理:
1、通過控制晶閘管的導通角對輸入電壓進行控制,實現改變電動機定子端電壓值的大小,即控制電動機的起動轉矩和起動電流的大小,從而實現電動機的軟起動控制。
2、可按照設定的起動參數平滑加速,從而減少對電網,電機及設備的電氣和機械沖擊。當電機達到額定轉速后,旁路接觸器自動接通。
3、CMV高壓固態軟起動裝置起動完畢后繼續監控電動機,并提供各種故障保護。
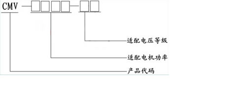
CMV系列高壓固態軟起動裝置型號說明:

CMV系列高壓固態軟起動裝置/高壓軟起動器特點:
◆ 多種觸發方式:獨有的單相光纖和多點電磁觸發相結合技術,實現高壓晶閘管的觸發檢測與低壓控制回路之間的隔離,安全可靠。提高了裝置的可靠性。
◆ 多種通訊接口:配置RS-485通訊接口,Modbus/Profibus標準協議可選,可與上位機或集中控制中心進行通信。
◆ 友好人機界面:中/英文液晶或觸摸屏顯示系統,操作界面人性化。
◆ 多種控制方式:根據負載特性進行調整,較大程度滿足現場工況要求。
◆ 冗余設計:可靠性高,裝置內部裝有可直接起動電機的真空接觸器,若CMV出現故障,利用真空接觸器直接起動電機,以保證生產的連續性。
◆ 抗干擾性:所有電路板經過嚴格的EMC電磁兼容、高低溫老化實驗,從而具備較高的抗干擾能力標準化設計制造。
◆ 散熱器設計:散熱器設計,大幅度提高了散熱器的散熱效率,保證了晶閘管的安全使用,延長了設備的使用壽命。
◆ 標準化設計制造:CMV產品優質制造,質量上乘,整個設計、生產和交貨過程都嚴格遵守ISO9001標準。
◆GPS遠程通訊監控功能:可擴展遠程GPS無線通訊功能,實現遠程監控和起停控制。無論您身在何處只要有相關后臺系統均能查看電機的運行狀態和運行參數。(可選)
完善的保護功能
◆ 過載保護共6級保護級別,根據所設定的過載保護曲線進行保護;
◆ 過流保護:20~500%Ie 通過檢測運行過程中的電流實現運行過程中的過流保護;
◆ 過壓保護:主電網電壓上升到120%額定電壓時延遲1~10S(可調),跳閘保護;
◆ 欠壓保護:主電網電壓低于額定電壓70%時延遲時間1~10S(可調),跳閘保護;
◆ 缺相保護:當任意一相缺失時,跳閘保護;
◆ 相序保護:可設置相序檢測,當檢測到相序錯誤時保護;
◆ 相電流不平衡:主回路電流不平衡度超過設定數值(0~100%可調),跳閘保護;
◆ 接地電流故障:當接地電流超過設定數值,跳閘保護;
◆ 起動超時保護:在設定的Zz長起動時間內(0~120S可調)電動機仍未達到全速跳閘保護;
◆ 具有自檢程序:開機自檢
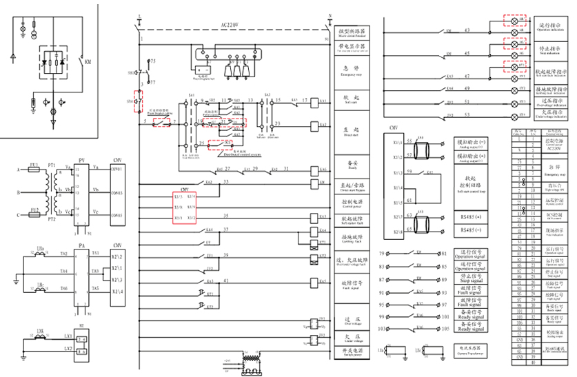
CMV系列高壓固態軟起動裝置/高壓軟啟動器原理圖:

CMV系列高壓固態軟起動裝置/高壓軟起動器技術特性:

CMV系列高壓固態軟起動裝置/高壓軟啟動器型號參數:

①、CMV高壓軟起動裝置可根據現場負載性能進行參數調節。控制靈活,操作簡單,起動平穩等特點,有效緩解電機起動過程中對電網及負載的沖擊,保護電機安全起動和運行。
②、CMV系列軟起動裝置適用于額定電壓3—15KV的大中型交流電動機的軟起動。
③、產品廣泛應用于大型鋼鐵、石油、化工、鋁業、消防、礦山、污水處理、電力等工業領域,能很好地與電動機拖動設備配套使用。如:水泵、風機、壓縮機、粉碎機、攪拌機、皮帶機等各種機電設備。